Die Fertigung eines Pucks ist aufgrund des hartspröden Materials (SiC) eine Herausforderung. Das Zerspanungsverhalten des Schleifprozesses auf Keramiken ist vollkommen anders als auf metallischen Werkstoffen.
Die Fertigung eines Pucks ist aufgrund des hartspröden Materials (SiC) eine Herausforderung. Das Zerspanungsverhalten des Schleifprozesses auf Keramiken ist vollkommen anders als auf metallischen Werkstoffen. (Bild: Kellenberger)

Siliziumkarbid ist so hart, dass erfahrene Schleifer davor zurückschrecken. Auf der Grindinghub 2026 zeigen Schweizer Unternehmen, wie die Bearbeitungszeit von SiC-Ingots von 24 auf drei Stunden sinkt und Oberflächen Qualitäten im Ångström-Bereich erreichen.


Textquelle: VDW
Redaktionelle Bearbeitung: Technische Rundschau

Der Halbleitermarkt wächst rasant. Mikrochips stecken längst nicht nur in Elektrofahrzeugen und Ladestationen, sondern auch in Solar- und Windkraftanlagen und in der gesamten Bandbreite der Kommunikationstechnik. Mit erwarteten Wachstumsraten von über 30 Prozent pro Jahr bietet dieser Multi-Milliarden-Markt der Schleiftechnik erhebliche Absatzchancen. Auf der Fachmesse Grindinghub, die der VDW (Verein Deutscher Werkzeugmaschinenfabriken) vom 5. bis 8. Mai 2026 in Stuttgart veranstaltet, können Fachbesucher aktuelle Maschinen und Präzisionsschleifprozesse im Ångström-Bereich in Augenschein nehmen. Klar ist: Wenn Europa bei der Halbleiterproduktion gegenüber Asien und den USA Boden gutmachen will, muss vieles schneller gehen, auch in der Fertigung.

Produktion durchläuft mehrere Verarbeitungsschritte

Bei Wafern handelt es sich um dünne Scheiben, die als Ausgangsmaterial für die Herstellung von Mikrochips dienen. Ihre Produktion durchläuft mehrere Verarbeitungsschritte. Um Silizium (Si) oder Siliziumkarbid (SiC) für die Halbleiterindustrie verwenden zu können, muss es als Einkristall gezüchtet werden. Die sogenannten Ingots und Boules werden anschliessend zu einem Puck-Rohling bearbeitet. In Scheiben geschnitten, entstehen die Wafer, die dünn geschliffen, poliert und mit einer Epitaxie-Schicht versehen werden, bevor sie in den Fotolithografieprozess gelangen. Mit Hilfe von Maskierungen und Licht werden Schaltkreismuster in den Wafer geätzt. Am Ende lassen sich aus dem Wafer einzelne Mikrochips schneiden.

Warum sich der Einstieg in den Halbleitermarkt lohnt

Michael Egeter, Vice President Engineering beim Schweizer Maschinenhersteller Kellenberger.
Michael Egeter, Vice President Engineering beim Schweizer Maschinenhersteller Kellenberger. (Bild: Kellenberger)

Für Michael Egeter, Vice President Engineering beim Schweizer Maschinenhersteller Kellenberger in Goldach, sprechen die zuverlässig steigende Nachfrage auf der Endkundenseite sowie neue Prozesse und Technologien für ein Engagement im Halbleitermarkt. «Neben der eigentlichen Substratbearbeitung, also dem Vorschleifen und Konfektionieren der Rohkristalle und dem Erzeugen der Wafer-Grundgeometrie, bietet auch das Feld der Halbleiter-Prozessanlagen gute Möglichkeiten, um Schleiftechnologie anzubieten», sagt er.

Wer SiC-Wafer schleifen könne und den Kunden anwendungsspezifische Prozesse liefere, bringe sich in eine starke Position. Kellenberger hat dafür spezialisierte Teams gebildet. «Anwendungsspezifische Bearbeitungsprozesse eröffnen ein hohes Wachstumspotenzial, zumal oft auch skaliert werden kann», betont Egeter.


Artikel lesen: Kellenberger K8: Die Kunst des Weglassens


Siliziumkarbid fordert die Schleifer heraus

Als Substrat setzt sich in der Halbleiterfertigung zunehmend Siliziumkarbid (SiC) durch. Wie das Fraunhofer CSP (Center für Silizium-Photovoltaik) in Halle (Saale) erläutert, bietet ein Halbleiter aus einer Verbindung von Silizium und Kohlenstoff gegenüber reinem Silizium eine grosse Bandlücke. Das ist ein entscheidender Faktor für die elektrische Leitfähigkeit: Der Halbleiter lässt sich unter extremen Bedingungen einsetzen, bei hohen Temperaturen, hohen Spannungen und hohen Frequenzen.

Die grösste Herausforderung für die Bearbeitung der harten Waferoberflächen war es, die passende Bindung für das Submikron-Diamantkorn zu entwickeln.  Foto: Meister Abrasives
Die grösste Herausforderung für die Bearbeitung der harten Waferoberflächen war es, die passende Bindung für das Submikron-Diamantkorn zu entwickeln. (Bild: Meister Abrasives)

Für die Schleifbearbeitung stellt das Substrat allerdings eine Hürde dar. «Wir konnten bei Schleifern, die bisher fast ausschliesslich auf metallischen Werkstoffen gearbeitet haben, schon eine respektvolle Zurückhaltung feststellen», berichtet Egeter. Das Zerspanungsverhalten beim Schleifen von Keramiken sei vollkommen anders als bei Metall. Wer diese Schwelle überwinde, dem eröffne sich ein stetig wachsendes Anwendungsfeld: technische Keramiken und einkristalline Halbleitersubstrate. «SiC hat sich für gewisse Leistungsklassen bereits als Benchmark im Halbleiterbereich etabliert», so Egeter.

Von 24 auf drei Stunden: SiC-Ingots schneller bearbeiten

Die Halbleiterfertigung braucht Zeit. Die Lieferung der Chips erfordert einen langen Vorlauf, der etlichen Industriezweigen zu schaffen macht. Allein der Rohkristall, der im Hochtemperaturofen bei rund 2’400 °C gezüchtet wird, benötigt gut zwei Wochen, bevor er in eine Halbzeug-Form gebracht werden kann. Für diesen «Ingot/Boule to Puck»-Schritt hat die Hardinge-Gruppe, zu der Kellenberger gehört, ein Entwicklungsteam aus Ingenieuren und Anwendungstechnikern aufgebaut, unterstützt von SiC-Branchenexperten und Rohstofflieferanten. Das Team analysierte die Ineffizienzen der bisherigen SiC-Ingot-Verarbeitung. Die Erkenntnisse flossen in eine automatisierte All-in-One-5-Achs-Maschine, auf der sich alle derzeit relevanten Spezifikationen und Durchmesser von SiC-Ingots bearbeiten lassen.

Die zentrale Verbesserung: Mit automatisierter Be- und Entladung könne die Maschine die Bearbeitungszeit eines Ingots zu einem Puck von über 24 Stunden auf zwei bis drei Stunden reduzieren, heisst es bei Kellenberger. Das Präzisionsschleifen in der Halbleiterfertigung gewinnt damit nicht nur an Geschwindigkeit, sondern auch an Wirtschaftlichkeit.

Diamantwerkzeuge für Oberflächen im Ångström-Bereich

Carmine Sileno, Produktmanager von Meister Abrasives.
Carmine Sileno, Produktmanager von Meister Abrasives. (Bild: Meister Abrasives)

Neben dem Substrat und der Schleifmaschine spielen die Schleifwerkzeuge in der Waferbearbeitung die entscheidende Rolle. «Semicon wird bei uns als stark wachsender Markt wahrgenommen», betont Carmine Sileno, Produktmanager für den Halbleiterbereich bei Meister Abrasives im schweizerischen Andelfingen. Das Unternehmen ist gemeinsam mit dem deutschen Schwesterunternehmen Alfons Schmeier in Helmbrechts spezialisiert auf die Entwicklung und Herstellung von superabrasiven Schleifwerkzeugen für hochpräzise Anwendungen. Für die verschiedenen Schritte der Halbleiterherstellungskette, vom rohen Kristall bis zum fertigen Chip, bietet Meister Abrasives Werkzeuge, die Kunden auf bestehenden Anlagen einsetzen können.

Die für die Wafer-Oberfläche entwickelten Diamantschleifwerkzeuge erzeugen Oberflächenqualitäten ab Ra 5 Ångström (1 Å = 0,0001 µm). Zum Vergleich: Ein menschliches Haar misst 40 bis 80 µm im Durchmesser. Eine Qualitätssicherung bei derart feinen Oberflächen sei nur noch mittels Weisslichtinterferometrie oder Rasterkraftmikroskopie (AFM) möglich, sagt Sileno. Zur Grindinghub bringt er als Anschauungsmaterial Wafer mit, deren Oberflächen unter dem Mikroskop zu begutachten sind.

«Für Chiphersteller sind gleichmässige Oberflächen mit homogener Nano-Topografie enorm wichtig», betont der Produktmanager. Mit seiner UltraFine-Technologie verfolgt Meister Abrasives aber noch ein weiteres Ziel: «Wir wollen so fein wie möglich schleifen, um nachfolgende Prozessschritte zu verkürzen oder am besten ganz zu eliminieren», sagt Sileno. Das betrifft vor allem die zeit- und kostenaufwändigen Läpp- und Polierprozesse.

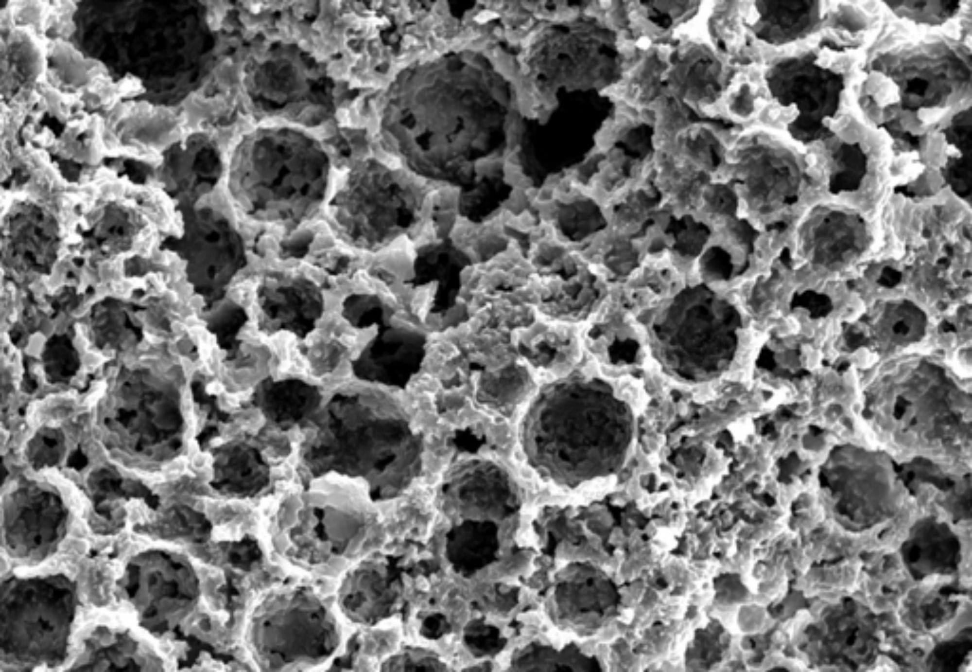
Zur Bearbeitung der superharten SiC-Wafer bedarf es Schleifscheiben, die Oberflächenqualitäten im einstelligen Ångström-Bereich ermöglichen. Foto: Meister Abrasives
Zur Bearbeitung der superharten SiC-Wafer bedarf es Schleifscheiben, die Oberflächenqualitäten im einstelligen Ångström-Bereich ermöglichen. (Bild: Meister Abrasives)

Polieren verkürzen, Durchsatz erhöhen

Üblicherweise werden Wafer zunächst geschliffen und dann poliert, um die geforderten hohen Oberflächengüten zu erzielen. Die dabei eingesetzten Slurries, Mischungen aus feinen festen Partikeln und einer Flüssigkeit, sind teuer. «Je länger ein Polierprozess dauert und je grösser die Waferfläche, desto interessanter wird es, den Polierprozess weitgehend zu minimieren oder ganz herauszunehmen», so Sileno. Die grösste Herausforderung beim SiC-Wafer-Schleifen sei es gewesen, die passende Bindung für das Submikron-Diamantkorn (< 1 µm) zu entwickeln. Genau darin sieht Sileno die Stärke von Meister Abrasives: die Schleifbelagsstruktur für jede Anwendung detailliert anpassen zu können. Der Kunde spare durch verkürzte oder überflüssig gewordene Polierprozesse wertvolle Zeit, reduziere Kosten, benötige weniger Infrastruktur und erhöhe den Durchsatz.

Die Europäische Union hat sich zum Ziel gesetzt, ihren Marktanteil in der Halbleiterproduktion von derzeit 9 bis 10 Prozent in den kommenden Jahren deutlich auszubauen. Grössere Volumina würden auch der Schleiftechnik neue Aufträge bringen. «Angesichts der starken Dominanz weniger Anbieter auf dem Weltmarkt», so Sileno, «sind wir als kundenspezifisch positionierte Anbieter bevorzugte Partner.» Ob sich dieses Selbstbewusstsein in Aufträge übersetzt, hängt auch davon ab, wie schnell europäische Chipfabriken tatsächlich entstehen.


Die Grindinghub findet vom 05. bis 08. Mai 2026 in Stuttgart statt.


 

Passend zu diesem Artikel

Grindinghub-Landingpage: News, Trends und Technik rund ums Schleifen

Aktuelle Berichte, Hintergrundgeschichten und Marktanalysen zu Schleifmaschinen, Schleiftechnik und Schleifzubehör mit Fokus auf die internationale Fachmesse Grindinghub in Stuttgart.

Impressum

Textquelle: VDW

Bildquelle: Kellenberger, Meister Abrasives

Redaktionelle Bearbeitung: Technische Rundschau

Informationen

Kellenberger
www.kellenberger.net

Meister Abrasives
www.meister-abrasives.ch

Grindinghub
www.grindinghub.de

Veröffentlicht am: